产品中心
PRODUCT CENTER
三合一 料架整平伺服送料机NLF3
NLF3 MODEL
NLF3-1300GF三合一体式 伺服整平送料机
3 in 1 N.C.LEVEL FEEDER
厚板专用 适用材料厚度0.6~6.0mm

特性 Features
特别为强力厚板而设计的上下整平背压滚轮组,可达到保证的应力消除效果。
About which designs for the force thick plate levels off the back pressure hoop group specially, May achieve the guarantee the stress relieving effect.
规格 SPECIFICATIONS
型号Model
项目Item
NLF3-400
NLF3-500
NLF3-600
NLF3-800
NLF3-1000
NLF3-1300
NLF3-1600
料宽 Width of Material(mm)
70~400
70~500
70~600
70~800
70~1000
70~1300
70~1600
料厚 Thickness of Material(mm)
0.6~6.0
最大料重 Max.Coil Weight(kg)
5000
5000
5000
7000
7000
10000
15000
卷料内径 Coil I.D.(mm)
508
卷料外径Coil O.D.(mm)
1400
最大速度 Max.Line Speed(m/min)
16~24
标准送料精度 Feed Accuracy(mm)
±0.15
送料滚轮(组)Number of Feed Rolls
1
矫正滚轮 Work Roll
上Upper4/下Lower3
背压滚轮组Back pressure Roll
有/Provided
标准送料高度 Feed level(mm)
1200±100
电源电压 Power Supply
AC220V 50HZ/AC380V 50HZ
空气压 Air Supply(kg/c㎡)
5kg/cm²
料架扩张方式 Uncoil Expansion
油压Hydraulic
伺服马达 Main Motor(kw)
AC5.5
AC5.5
AC7.5
AC7.5
AC11
AC11
AC15
料架马达 Uncoil Motor(kw)
2.2
2.2
2.2
3.7
3.7
7.5
11
矫正能力表 STRAIGTENUNG PERFORMANCE
|
型号Model |
送料厚度 Thickness |
||||||||||||
|
0.6 |
1.0 |
1.3 |
1.6 |
2.0 |
2.3 |
2.8 |
3.2 |
4.0 |
4.5 |
5.0 |
6.0 |
||
|
送料宽度 Width(mm) |
NLF3-400 |
400 |
293 |
203 |
|||||||||
|
NLF3-500 |
500 |
361 |
293 |
203 |
|||||||||
|
NLF3-600 |
600 |
457 |
361 |
293 |
203 |
||||||||
|
NLF3-800 |
800 |
457 |
361 |
293 |
203 |
||||||||
|
NLF3-1000 |
1000 |
714 |
457 |
361 |
293 |
203 |
|||||||
|
NLF3-1300 |
1300 |
933 |
714 |
457 |
361 |
293 |
203 |
||||||
|
NLF3-1600 |
1600 |
1170 |
933 |
714 |
457 |
361 |
293 |
203 |
|||||
上表中的屈服点应力σs=245N/mm²(抗拉强度σb=392N/mm²)
The above figures are the material having yield strength of σs=245N/mm² max ( Tensile strength of σb=392N/mm²)
规格及外观由于改进有可能在未通知时变化
Specifications are subject to change for improvement without notice
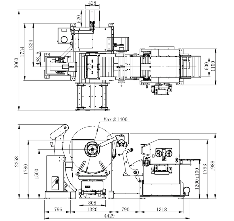
外形尺寸 Overall dimensions

-
上海晋翼五金机械有限公司官网 版权所有
沪ICP备18037816号-1 销售热线:021-57735631 服务热线:021-57735631 售后服务:021-57735631
传真:021-57735571 网址:www.shjy8888.com 地址:上海市松江区泗泾镇方泗公路88弄22号
桂林网络公司 提供技术支持
ICP备案号: 沪ICP备18037816号-1 -
微信平台二维码
-
手机网站二维码
copyrights © 2018 Shanghai jin wing hardware machinery co., LTD All rights reserved
